Jump to content

Samany69

Member
  • Posts

    5
  • Joined

  • Last visited

Recent Profile Visitors

The recent visitors block is disabled and is not being shown to other users.

Samany69's Achievements

0

Reputation

  1. Hello Again my dear friend. I'm always happy to help. Please let the team know that I'm really willing to cooperate. I mean I can devote some of my off-time to work with the team to increase the quality of the product. If they are willing to accept a new remote member I can apply for it. Again, It's my honor and pleasure to help make the product better than before. Best Regards Saman
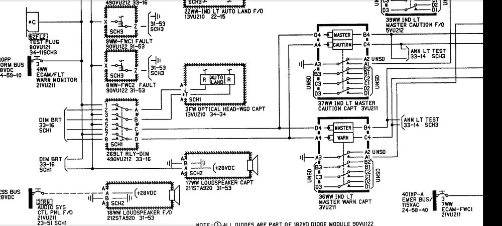
  2. Hello everyone I have a new problem. After updating the enhanced package to the latest version via the content manager, My fireloop tests ( both engine and APU ) doesn't make any sounds at all. I'm not sure if the sound files are broken during download or something. After investigating the issue, I found out that the issue is not related to the fire loop but It's an issue with the Loud speakers and the logic they work! See, the FWC generates and sends Aural Warnings sounds and chimes to loud speakers. Infact, the issue is the loud speakers only chime when at least one battery switch is ON. Tonight I had one A310 arriving and staying in airport for daily check. So I went in Cockpit and checked this matter and I'm here to report that the real aircraft has all loud speakers working without batteries turned on with just external power or APU GEN. Glad to help the team build a better than ever plane. I also got permission to copy and send one related page of the ASM proving what I just witnessed in the real plane. Best Regards Saman
  3. Sure . it is a great honor and pleasure to be a small droplet in your big ocean of team. also sorry for typos in the last post. Sincerely yours.
  4. Hello Hello. Thanks so much for quick response. TBH I didn't expect any answer given this product is free but I'm really surprised. I can also record a vido of our bird and send it to you via MEGA drive link so you can download and watch. I'm at airport right now and we an A310 on the ground. Again if you guys need someone Actively working on this type, I can be your small finger to contribute as much as I can. It will a great honor. Best Regards Saman
  5. Hi everyone. My name is Saman, Just got A310 after MSFS update and I want to thank the team at inibuilds for the fantastic plane. One Question I have as the title says, The APU fire Loop B test ( Loop A off ) doesn't seem to work. I'm currently a line maintenance engineer and working on A306/313 and today I tested this on one of our planes and the APU Loop B test ( Loop A off ) seems to work fine with both Aural and visual warnings. I will be glad to help rectify such issues or if I'm wrong then increase my knowledge IAW development team's documentations. Thank you so much for this beautiful software. Wish you all a Great orange Autumn. Sincerely Yours. Saman
×
×
  • Create New...